Тензодатчики CAS стальные консольного типа HBB

CAS
Производитель CAS
  • Широкий выбор весов в наличии
  • Только проверенные бренды с лучшим соотношение цена / качество
  • Гарантийное и послегарантийное обслуживание весов в г. Минске
  • Обслуживание и ремонт весов на территории заказчика

Тензодатчики стальные консольного типа HBB

Конструкция полностью из нержавеющей стали;
Класс защиты: IP 67;
Материал: Нержавеющая сталь;
Кабель: 4-х жильный в ПВХ оплетке;
Номинальная нагрузка, кг: 20, 50, 100, 200, 500, 1000, 2000.

Применение:

весы платформенные.

Технические характеристики

Номинальная нагрузка, kgf 20, 50, 100, 200, 500, 1tf, 2tf
РКП номинальный, мВ/В 2±0.005
Нулевой сигнал мВ/В 0±0.02
Общая ошибка, % 0.03
Повторяемость, % 0.01
Ползучесть (30 мин), % 0.03
Температурный дрейф нуля, %/10°C 0.028
Температурный дрейф сигнала, %/10°C 0.015
Напряжение питания номинальное, В 10
Напряжение питания максимальное, В 15
Сопротивление входное, Ом 400 ±20
Сопротивление выходное, Ом 350 ±3.5
Сопротивление изоляции, МОм > 2,000
Температурный диапазон с компенсацией температурного дрейфа, °C -10 to +40
Эксплуатационный температурный диапазон, °C -30 to +80

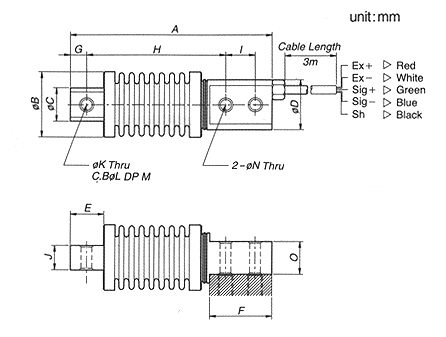
Размеры

Модель HBB-20 HBB-50 HBB-100 HBB-200 HBB-500 HBB-1 HBB-2
Нагрузка 20kgf 50kgf 100kgf 200kgf 500kgf 1kgf 2kgf
A 130 200 210
B 38 56 60
C 20 30 40
D 30 52 52
E 20 40 40
F 57 80 90
G 10 20 20
H 72 120 125
I 35 45 50
J 15 25 30
K 8 12 16
L 11 15 19
M 3 3 3
N 8,5 14 18
O 20 40 40

Крепление

Нагрузка Hexagon head-Bolt Момент затяжки
20, 50, 100kgf M8x1.25 (10.9) 29Nm
200kgf-500kgf M12x1.75 (10.9) 100Nm
1, 2tf M16x2.0 (10.9) 255Nm

 

 

Меню
Обработка заказов 24/7