Generic selectors
Exact matches only
Search in title
Search in content
Post Type Selectors
О компании
Контакты
Весовое оборудование
Ремонт весов
Новости
+375 (29) 339-12-69 A1
+375 (29) 299-12-69 МТС
+375 (17) 336-60-55
Каталог весов
Автомобильные весы
Анализаторы влажности
Балочные весы
Бункерные весы
Весовые тележки
Взвешивание и маркировка
Дозаторы весовые
Железнодорожные весы
Животноводческие весы
Индикаторы весовые
Калибровочные гири
Крановые весы
Лабораторные весы
Медицинские весы
Напольные весы
Настольные весы
Паллетные весы
Пандусные накатные весы
Платформенные весы
Промышленные весы
Системы взвешивания для строительной и подъемной техники
Счётные весы
Тензодатчики и весовые компоненты
Торговые весы
Упаковочное оборудование
Автомобильные весы
Крановые весы
Настольные весы
Торговые весы
Упаковка
Новости
консультация
ИНТЕРТЕХСНАБ
Generic selectors
Exact matches only
Search in title
Search in content
Post Type Selectors
написать на почту
info@vesy.by
часы работы:
пн-пт с 9.00 до 18.00
Главная
Тензодатчики и весовые компоненты
Соединительные коробки JB-PA
Соединительные коробки JB-PA
Производитель
CAS
консультация по продукту
Широкий выбор весов в наличии
Только проверенные бренды с лучшим соотношение цена / качество
Гарантийное и послегарантийное обслуживание весов в г. Минске
Обслуживание и ремонт весов на территории заказчика
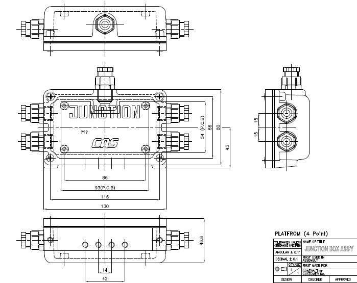
Описание
Особенности
для платформенных весов предназначена для совместной работы с приборами весоизмерительными CAS типа CI (NT)
Класс защиты IP 64
Возможность подключения 4-х тензодатчиков
Выполнен из алюминия
Коробка типа JB-4PA имеет 4 входов для подключения тензодатчиков и один вход для подключения весоизмерительнобго прибора
Технические характеристики
Модель
JB-3PA
JB-4PA
JB-6PA
JB-8PA
Артикул товара
CZ4JB1000GCI0502
CZ4JB2000GCI0502
CZ4JB3000GCI0502
Габаритные размеры
Рекомендуем
ZEMIC
Тензометрический датчик B6E
ZEMIC
Тензометрический датчик H3F
ZEMIC
Дублирующее табло YHL-3H
ZEMIC
Минисенсор 1B
ZEMIC
Минисенсор 1P
ZEMIC
Минисенсор Q84X5X12-05
ZEMIC
Тензометрический датчик BM14G
CAS
Самоустанавливающиеся стальные тензодатчики DSB-B CAS
ZEMIC
Тензометрический датчик L6N
ZEMIC
Тензометрический датчик L6J
CAS PDC
Прикассовые весы
Торговые весы
подробнее
CAS RW-PLZ
Весы автомобильные подкладные
беспроводные
подробнее
Консультация по продукту:
Соединительные коробки JB-PA
Ваше имя:
Номер телефона:
Время для звонка:
Ваш вопрос:
Меню
Автомобильные весы
Анализаторы влажности
Балочные весы
Бункерные весы
Весовые тележки
Взвешивание и маркировка
Датчики крутящего момента
Дозаторы весовые
Дозаторы лабораторные электронные
Железнодорожные весы
Животноводческие весы
Индикаторы весовые
Калибровочные гири
Крановые весы
Лабораторные весы
Медицинские весы
Напольные весы
Настольные весы
Паллетные весы
Пандусные накатные весы
Платформенные весы
Принтеры для маркировки
Программное обеспечение Сканпорт
Промышленные весы
Системы взвешивания для строительной и подъемной техники
Счётные весы
Тензодатчики и весовые компоненты
Торгово-кассовое оборудование
Торговые весы
Универсальные испытательные машины
Упаковочное оборудование
О компании
Сотрудничество
Ремонт весов
Поверка весов
Контакты
Новости
Обработка заказов 24/7
+375 (17) 336-60-55
+375 (29) 339-12-69
+375 (29) 299-12-69
Заказать звонок
Ваше имя:
Номер телефона:
Время для звонка:
Ваш вопрос:
Консультация
Email address
Password
Repeat password
Register